8 Watt Amplifier
Notes:
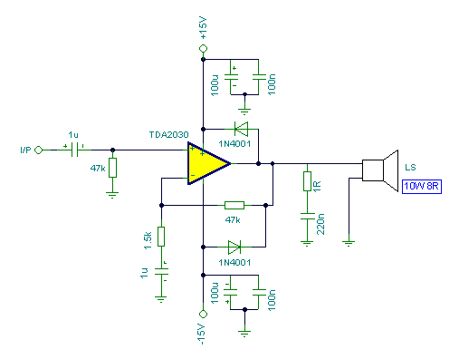
Although the TDA2030 can deliver 20 watts of output power, I deliberately reduced the output power to about 8 watts to supply 10 watt speakers. Input sensitivity is 200mV. Higher input levels naturally will give greater output, but no distortion should be heard. The gain is set by the 47k and 1.5k resistors. The TDA2030 IC is affordable and makes a good replacement amplifier for low to medium audio power systems. Incidentally, it is speaker efficiency that determines how "loud" your music is. Speaker efficiency or sound pressure level (SPL) is usually quoted in dB/meter. A speaker with an SPL of 97dB/m will sound louder than a speaker with an SPL of 95dB/m.
