Battery-powered Night Lamp Circuit
Ultra-low current drawing
1.5V battery supply
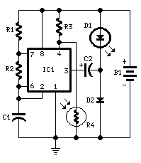
Parts:
R1,R2 1M 1/4W Resistors
R3 47K 1/4W Resistor (optional: see Notes)
R4 Photo resistor (any type, optional: see Notes)
C1 100nF 63V Polyester Capacitor
C2 220�F 25V Electrolytic Capacitor
D1 LED Red 10mm. Ultra-bright (see Notes)
D2 1N5819 40V 1A Schottky-barrier Diode (see Notes)
IC1 7555 or TS555CN CMos Timer IC
B1 1.5V Battery (AA or AAA cell etc.)
Device purpose:
This circuit is usable as a Night Lamp when a wall mains socket is not available to plug-in an ever running small neon lamp device. In order to ensure minimum battery consumption, one 1.5V cell is used, and a simple voltage doubler drives a pulsating ultra-bright LED: current drawing is less than 500�A.
An optional Photo resistor switches-off the circuit in daylight or when room lamps illuminate, allowing further current economy.
This device will run for about 3 months continuously on an ordinary AA sized cell or for around 6 months on an alkaline type cell but, adding the Photo resistor circuitry, running time will be doubled or, very likely, triplicated.
Circuit operation:
IC1 generates a square wave at about 4Hz frequency. C2 & D2 form a voltage doubler, necessary to raise the battery voltage to a peak value able to drive the LED.
Notes:
IC1 must be a CMos type: only these devices can safely operate at 1.5V supply or less.
If you are not needing Photo resistor operation, omit R3 & R4 and connect pin 4 of IC1 to positive supply.
Ordinary LEDs can be used, but light intensity will be poor.
An ordinary 1N4148 type diode can be used instead of the 1N5819 Schottky-barrier type diode, but LED intensity will be reduced due to the higher voltage drop.
Any Schottky-barrier type diode can be used in place of the 1N5819.
author:RED Free Circuit Designs,
website: http://www.redcircuits.com/
