Black Light Circuit
This circuit is a simple ultraviolate light that can be powered by a 6 volt battery or power supply that is capable of supplying 1 or more amps.
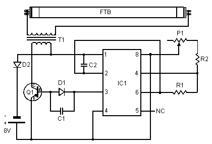
Parts
C1 0.0047uf Mono Capacitor
C2 0.1uf Disc Capacitor
D1, D2 1N4007 Diode
FTB Filtered Blacklight Tube
IC1 555 Timer IC
P1 10k Trim Pot
Q1 TIP30 PNP Power Transistor
R1 470 Ohm Resistor
R2 270 Ohm Resistor
T1 Medium Yellow Inverter Transformer
MISC IC Socket, Heat Sink For Q1, Screw, Nut, Wire and PC Board
Notes:
1. P1 changes brightness of the black light tube.
Author:


