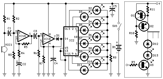
Dancing LEDs Circuit
A LED sequencer, following the rhythm of music or speech
9V Battery-operated portable unit
Parts:
R1 10K 1/4W Resistor
R2,R3 47K 1/4W Resistors
R4 1K 1/4W Resistor
R5,R6,R7 100K 1/4W Resistors
R8 820R 1/4W Resistor
C1,C3 100nF 63V Ceramic or Polyester Capacitors
C2 10�F 50V Electrolytic Capacitor
C4 330nF 63V Polyester Capacitor (See Notes)
C5 100�F 25V Electrolytic Capacitor
D1 1N4148 75V 150mA Diode
D2-D11 5 or 3mm. LEDs (any type and color)
IC1 LM358 Low Power Dual Op-amp
IC2 4017 Decade counter with 10 decoded outputs IC
M1 Miniature electret microphone
SW1 SPST miniature Slider Switch
B1 9V PP3 Battery
Clip for PP3 Battery
Additional circuit parts (see Notes):
R9,R10 10K 1/4W Resistors
R11 56R 1/4W Resistor
D12,D13 etc 5 or 3mm. LEDs (any type and color)
Q1,Q2 BC327 45V 800mA PNP Transistors
Q3 BC337 45V 800mA NPN Transistor
Device purpose:
The basic circuit illuminates up to ten LEDs in sequence, following the rhythm of music or speech picked-up by a small microphone. The expanded version can drive up to ten strips, formed by up to five LEDs each, at 9V supply.
Circuit operation:
IC1A amplifies about 100 times the audio signal picked-up by the microphone and drives IC1B acting as peak-voltage detector. Its output peaks are synchronous with the peaks of the input signal and clock IC2, a ring decade counter capable of driving up to ten LEDs in sequence.
An additional circuit allows the driving of up to ten strips, made up by five LEDs each (max.), at 9V supply. It is formed by a 10mA constant current source (Q1 & Q2) common to all LED strips and by a switching transistor (Q3), driving a strip obtained from 2 to 5 series-connected LEDs. Therefore one transistor and its Base resistor are required to drive each strip used.
Notes:
The sensitivity of the circuit can be varied changing R4 value.
C4 value can be varied from 220 to 470nF in order to change the circuit speed-response to music peaks.
Adopting the additional circuit, only one item for R10, R11, Q1 and Q2 is required to drive up to ten LED strips. On the contrary, one item of R9 and Q3 is necessary to drive each strip you decided to use.
Each R9 input must be connected to IC2 output pins, in place of the LEDs D2-D11 shown. R8 must also be omitted.
Whishing to use a lower number of LEDs or LED strips, pin #15 of IC2 must be disconnected from ground and connected to the first unused output pin. Example:
if you decided to use 5 LEDs, pin #15 of IC2 must be connected to pin #1; if you decided to use 8 LEDs, pin #15 of IC2 must be connected to pin #9 etc.
Current drawing of the circuit is about 10mA.
Whishing to use a wall-plug transformer-supply instead of a 9V battery, you can supply the circuit at 12V, allowing the use of up to 6 LEDs per strip, or at 15V, allowing the use of up to 7 LEDs per strip.
author:RED Free Circuit Designs,
website: http://www.redcircuits.com/
