Electronic Circuits Archive
Freely available electronic circuits and projects
Home
Circuits
Glossary
Symbols
Software
You are here:
Home
»
Electronic Circuits
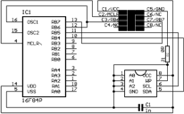
Gold wafer cards Circuit
Circuit diagram
Download in zip Pack 1
Download in zip Pack 1
Author: