Hot Water Level Indicator
Description:
A simple device to indicate various levels of hot water in a tank.
Notes:
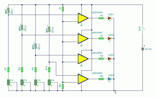
Save fuel bills and the economy of the planet with this circuit. SW1 is a normally open press button switch which allows you to view the level of hot water in a hot water tank. When pressed the voltage difference at the junction of the thermistor and preset is compared to the fixed voltage on the op-amps non-inverting input. Depending on the heat of the water in the tank, the thermistors resistance will toggle the op-amp output to swing to almost full voltage supply and light the appropriate LED.
Construction:
Masking tape was used to stick the bead thermistors to the tank. Wires were soldered and insulated at the thermistors ends. A plastic box was used to house the circuit. Battery life will probably be 4 to 5 years depending on how often you use the push switch, SW1.
Sensor Placement:
Thermistors NTC1-4 should be spread evenly over the height of the tank. I placed NTC1 roughly 4 inches from the top of my tank and the others were spaced evenly across the height of the hot water tank. As hot water rises the lowest sensor indicates the fullest height of hot water and should be about 8 to 10 inches from the bottom of the tank.
Calibration:
With a full tank of hot water adjust P1-4 so that all LED's are lit. As hot water rises, the sensor at the bottom of the tank will be the maximum level of hot water. "Hot" can be translated as 50C to 80C the presets P1-4 allow adjustment of this range.
Parts:
I have used a quad version of the LM324 but any quad opamp can be used or even four single op-amps.
R2-R5 I used 330ohm resistors, but value is not critical. Lower values give brighter LED output.
NTC1-4 The thermistors maximum resistance must roughly equal the resistance of the fixed resistor and preset. As negative temparature coefficient (NTC) thermistors are used, then their resistance decreases for increases in temperature. I used a thermistor from the Maplin Catalogue. Cold resistance was around 300K, hot resistance 15k. Alternative thermistors may be used with different resistance ranges, but the presets P1 to P4 must also be changed as well.
R7-10 series resistance, only required if your thermistors resistance is several ohms at the hottest temperature.
P1 - P4 Chosen to match the resistance of the thermistor when cold.
R1 & R6. These resistors are equal and bias the op-amp inverting input to half the supply voltage. I used 100k.
