Jogging Timer Circuit
3V Battery powered
Beeps after a fixed number of minutes
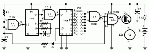
Parts:
R1 47K 1/4W Resistor
R2 10M 1/4W Resistor
R3 1M 1/4W Resistor
R4 12K 1/4W Resistor (see notes)
C1,C3 10�F 25V Electrolytic Capacitors
C2 100nF 63V Polyester Capacitor
D1 1N4148 75V 150mA Diode
IC1 4093 Quad 2 input Schmitt NAND Gate IC
IC2 4060 14 stage ripple counter and oscillator IC
IC3 4017 Decade counter with 10 decoded outputs IC
Q1 BC337 45V 800mA NPN Transistor
SW1 1 pole 9 ways Rotary Switch (see notes)
SW2 SPST Slider Switch
BZ1 Piezo sounder (incorporating 3KHz oscillator)
B1 3V Battery (two 1.5V AA or AAA cells in series etc.)
Device purpose:
This circuit was developed since a number of visitors of this website requested a timer capable of emitting a beep after one, two, three minutes and so on, for jogging purposes.
As shown in the Circuit diagram, SW1 is a 1 pole 9 ways Rotary Switch. Setting the switch in position 1, the Piezo sounder emits three short beeps every minute. In position 2 the same thing happens after 2 minutes, and so on, reaching a maximum interval of 9 minutes in position 9.
Notes:
Needing only one time set, rotary switch can be replaced by an hard-wired link.
A DIP-Switch can be used in place of the rotary type. Pay attention to use only a switch at a time, or the device could be damaged.
Varying R4 from 10K to 15K you can obtain more or less than three short beeps after the preset time delay.
To obtain a one-second beep only, after the preset time delay, disconnect pin 9 of IC1C from pin 9 of IC2 and connect it to pin 8 of IC1C.
author:RED Free Circuit Designs,
website: http://www.redcircuits.com/
