Latching Continuity Tester Circuit
"This Latching Continuity Tester can help you locate those difficult-to-find intermittent short and opens that other testers always seem to miss. It has been part of my workbench for many years and performs superb. I have solved many intermittend problem with this highly flexible unit."
Latching Continuity TesterA continuity tester is a must on every service bench for testing cables, pcboards, switches, motors, plugs, jacks, relays, and many other kinds of components. But there are times when a simple continuity test doesn't tell the whole story. For example, vibration-induced problems in automobile wiring can be extremely difficult to detect because a short or open is not maintained long enough for a non-latching tester to respond.
This latching continuity tester detects intermittent (and steady state) opens and shorts. The tester will detect and latch on an intermittent condition with a duration of less than a millisecond. In addition, it provides both visual and (defeatable) audio indicators, uses only one inexpensive and easy-to-find IC, and can be built from all new parts for about $35, or less if you have a well-stocked junkbox.
Circuit Elements:
Schmitt Trigger The heart of the circuit is a 4093 quad tow-input NAND Schmitt trigger, one gate of which is shown in Fig. 1-a. The gate functions as shown in Fig. 1-b. Nothing happens until the enable input goes high. When that happens, the output responds to the input as follows.
As long as the input voltage stays between VH and VL, the output stays high. But when the input goes above VH, the output goes low. The output will not go high again until the input goes below VL. That characteristic is what gives the Schmitt trigger its ability to "square-up" a slowly changing input signal. The Schmitt trigger is ideally suited for our application because it is not dependent on edge triggering, and because both slow and fast signals trigger it when either threshold is exceeded.
We use two gates of the 4093 as a combination detector and latch. The gates are cross connected to form an SR (Set-Reset) flip-flop. When pin 12 goes low, pin 11 will go high. That high may be used to enable an LED or other indicator. Switch S1 is used to select whether the tester will provide ouput when it detects an open or a short. In the OPEN position, pin 12 is held low, so the output of the gate is normally high. When the test leads are connected across a short, pin 12 is pulled high, so the output drops low. The circuit works in the converse manner when S1 is in the CLOSED position.
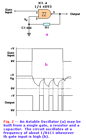
As shown in Fig. 2-a, we use another Schmitt trigger to build a gated astable oscillator. A gated astable oscillator produces output as long as the GATE input is high. Fig. 2-b shows the waveforms that are present at various points in the circuit. When the pin-8 input goes high, pin 10 goes low, and C1 starts discharging through R1. When VC falls below VL, the output of the gate goes high, so C1 starts charging through R1. When VC exceeds VH, the output again drops low. Oscillation continues in that way as long as the gate input remains high. The frequency of oscillation is given by a fairly complex equation that can be simplified, for purposes of approximation, as F = 1 / R1C1.
Putting it all together:
The complete circuit is shown in Fig. 3. In that circuit, IC1-a and IC1-b funtion as the flip-flop/detector. The output of IC1-a is routed through S4, AUDIO. When that switch is closed, IC1-d is enabled and an audio tone will be output by BZ1. The frequency of that tone can vary from 1000Hz to well above the audio range (100KHz), according to the setting of R4. In addition, R4 varies frequency and volume simultaneously, so you can set it for the combination that pleases you best. Originally we used a PM (Permanent Magnet) speaker. Whe the detector has not been tripped, the full power-supply voltage is across the buzzer, but no current is drawn. The reason is that the piezo element is like a capacitor and does not conduct DC current. Whe the circuit is oscillating, the buzzer consumes a current of only about 0.5 milliamp. The output of the flip-flop/detector circuit also drives IC1-c. If S2 is in the AUTO position, the output of IC1-c will automatically reset the flip-flop after a period of two to six seconds, depending on the position of R7. If S2 is in the MANUAL position, the LED will remain lit (and the buzzer will continue buzzing, if S4 is on) until maual RESET switch S3 is pressed
Construction:
Astable OscillatorThe circuit may be built on a piece of perforated construction board or Vero-board, or on a PCB. The PCB is designed to take board-mounted switches, which makes a neat package and eliminates a rat's nest.
Referring to Fig. 4, mount and solder the components in this order: diodes, fixed resistors, IC-sockets, capacitors, variable resistors, and then the pcb mounted switches. The regular ones will work too it just means more wire. Mount the buzzer and the LED last as described below. Trimmer potentiometer R7 is manufactured by Piher (903 Feehanville Drive, Mount Prospect, IL 60056); it has a shaft that extends through the panel. If the Piher pot is unavailable, an alternate is available from Digi-Key (701 Brooks Ave, South, P.O. Box 677, Thief River Falls, MN 56701). The disadvantage of the alternate is that it has no shaft, so it must be adjusted using a miniature screwdriver.
The circuit board is helf approximately 1/2-inch from the cover by the shafts of the switches. The LED and the buzzer should be inserted in the approproate holes in the pcb now. Then install the top cover, and adjust the height of the LEDso that it protrudes through the top cover. Then solder its leads. Attach the buzzer to the top cover, using silicone rubber adhesive (RTV or double side foam tape.
We mounted a pair of banana jacks on the top of our prototype's case, but you could solder the wires directly to the appropriate points on the circuit board, tie strain reliefs in the wires, and then solder alligator clips to the ends of the wires. However, a set of good leads are really all that expensive and it does give the tester more flexible usage as you have the opportunity to use a variety of different leads to suit your purpose.
The nine-volt battery is secured to the side of the case with a clip or use a holder. Your completed pcb should appear as in Fig. 5.
Usage Hints:
Set S1 for short or open depending on the condition to be tested. Then connect the test leads across the circuit to be tested. If an intermittent condition is detected, the LED will illuminate, and the buzzer will sound (if S4 is on). If you don't remove the test leads (assuming if S2 is set for AUTO Reset, the LED will flash and audio will warble at a rate determined by the reset circuit.
It is very important that the test leads make a positive connection with the circuit to be tested. In fact, clips should be used instead of test leads. There are good test leads available for about $15 which are hardened stainless-steel and have sharpened points which were my personal choice. This detector is so sensitive that, when it is initially connected across a long length of parallel wires or traces, it may latch due to capacitance between the wires. As a matter of fact, it happens with my model all the time. Just press the reset switch S3 when that occurs.
Parts
R1 10K
R2,R3 470K
R4 100K potentiometer
R5 Not used
R6 1.8K (1800 ohm)
R7 1M Trim pot
R8 10M
C1 0.1�F, ceramic
C2,C4 0.01�F ceramic
C3 4.7�F, 16V, Elec. .
IC1 4093B Quad Nand Schmitt Trigger (NTE4093B/ECG4093B)
D1,D1 1N914 or 1N4148 (NTE519/ECG519)
LED1 Red, 5mm, High Brightness
BZ1 Piezzo Buzzer
S1 DPDT, miniature toggle, pcb mount
S2,S4,S5 SPDT, miniature toggle, pcb mount
S3 SPST, momentary push, normally open
Additionally: IC socket, plastic case (4.75" x 2.5" 1.5"),
banana jacks, wire, solder, battery clip,couple cold beers
Copyright and Credits:
The original project is copyright � by Eldon L. Knight (1986). Document updates & modifications, all diagrams, PCB/Layout by Tony van Roon using Paint Shop Pro deLuxe.
author:Tony van Roon,





