Self-powered Fast Battery-Tester Circuit
Tests 1.5 to 15 Volt cells
Two-LED display, no power supply required
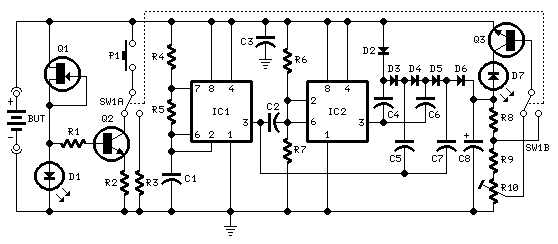
Parts:
R1 2K2 1/4W Resistor
R2 3R3 1/4W Resistor
R3 10R 1/4W Resistor
R4 4K7 1/4W Resistor
R5 33K 1/4W Resistor
R6,R7 100K 1/4W Resistors
R8 220K 1/4W Resistor
R9 330K 1/4W Resistor
R10 500K Trimmer Cermet
C1,C2 10nF 63V Polyester Capacitors
C3-C7 100nF 63V Polyester Capacitors
C8 220�F 35V Electrolytic Capacitor
D1,D7 LEDs Red 5mm. (see Notes)
D2-D6 1N4148 75V 150mA Diodes
Q1 2N3819 General purpose FET
Q2,Q3 BC337 45V 800mA NPN Transistors
IC1,IC2 7555 or TS555CN CMos Timer ICs
P1 SPST Pushbutton
SW1 DPDT Switch
BUT Battery under test
Holder or clips to connect the Battery under test to the circuit
Device purpose:
This circuit runs a fast battery test without the need of power supply or expensive moving-coil voltmeters. It has two ranges: when SW1 is set as shown in the circuit diagram, the device can test 3V to 15V batteries. When SW1 is switched to the other position, only 1.5V cells can be tested.
Testing 3V to 15V batteries:
Switch SW1 as shown in the circuit diagram.
Place the battery under test in a suitable holder or clip it to the circuit.
Wait some seconds in order to let C8 reach its full charge.
LED D1 illuminates at a constant intensity, independent of battery voltage.
If D1 illuminates very weakly or is fully off the battery is unusable.
If D1 has a good illumination, press P1 and keep an eye to LED D7. If D7 remains fully off, the battery is in a very good state.
If D7 illuminates brightly for a few seconds, the battery is weak. This condition is confirmed by a noticeable weakening of D1 brightness.
If D7 illuminates weakly for a few seconds but D1 maintain the same light intensity, the battery is still good but is not new.
Testing 1.5V batteries:
Switch SW1 in the position opposite to that shown in the circuit diagram.
Place the battery under test in a suitable holder or clip it to the circuit.
Wait some seconds in order to let C8 reach its full charge.
LED D1 illuminates very weakly only in presence of a new battery, otherwise is off.
Press P1 and keep an eye to LED D7. If D7 remains fully off the battery can be in very good state.
If D7 illuminates brightly for a few seconds, the battery is weak.
If D7 illuminates weakly for a few seconds, the battery is still good but is not new.
If you are suspecting a 1.5V cell to be completely discharged, a better test can be made wiring two 1.5V batteries in series, then running the 3V test.
Circuit operation:
FET Q1 provides a constant current generator biasing LED D1 and Q2 Base. In this manner D1 illuminates at a constant intensity, independent of battery voltage from 3 to 15V and Q2 (when P1 is closed) applies a constant current load of about 120mA to the battery. IC1 is a square wave generator oscillating at about 3KHz. IC2 acts as an inverter and drives, together with IC1 but in anti-phase, Diodes D2-D6 and Capacitors C4-C7, obtaining a voltage multiplication. C8 is charged by this raised voltage and R8-R10 form a voltage divider biasing the Base of Q3. When P1 is open, a very light load is applied to the battery under test and Q3 Base is biased in order to maintain LED D7 in the off state.
Closing P1, a 120mA load is applied to the battery under test. If the battery is not fully charged, its output voltage starts reducing: when this voltage falls 0.6V below the battery nominal voltage, Q3 Emitter becomes more negative than the Base, transistor is hard biased and D7 illuminates. Obviously, this state of affairs lasts a few seconds: the time spent by C8 to reduce its initial voltage to the new one, proportional to the voltage of the loaded battery. If the battery under test is in a good charging state, its output voltage did not fall under a 120mA loading current, so LED D7 stays off.
When testing 1.5V batteries, the circuit formed by Q1, Q2, D1, R1 & R2 doesn't work well at this supply voltage, so a 150mA load current is applied to the BUT by means of the 10 Ohm resistor R3 after switching SW1A. Q3 bias is also changed via SW1B.
Notes:
To set-up this circuit apply a 6 to 7.5V voltage source to the input and trim R10 until LED D7 is fully off (without pushing on P1).
1.5V test position needs no set-up.
CMos 555 ICs must be used for IC1 & IC2 because they are the only cheap devices able to oscillate at 1.5V supply or less.
author:RED Free Circuit Designs,
website: http://www.redcircuits.com/
