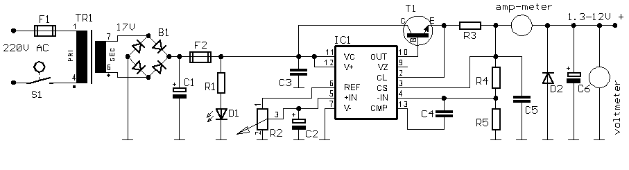
Small Variable Power Supply
Description:
Features: 1.3-12.2 V, 1 A, over-current protection. This is a simple but reliable device based one of the oldest integrated voltage regulators of them all - the LM723.
Notes:
R2 sets the output voltage. The maximum current is determined by the value of R3: the over-current protection circuitry inside the LM723 senses the voltage across R3 and starts shutting the output stage off as soon as this voltage approaches 0.65 V. This way the current through R3 can never exceed 0.65/R3, even if the output is shorted.
C3 and C4, both ceramic, must be placed as close as possible to the integrated circuit, because the LM723 can be prone to unwanted oscillations. It is not an overkill to solder them directly (and very carefully) to the pins of the IC. All other connections should also be kept short.
The LM723 works with input DC voltages from 9.5 to 40 V and the IC itself can source some 150 mA if the output voltage is not more than 6-7 V below the input. When an external pass transistor is used (in the usual emitter-follower mode), the base-emitter junction of T1 represents a significant resistance and the integrated circuit's output stage is relatively lightly loaded. All the current drawn by the load passes through T1 and it dissipates an amount of power that is directly proportional to the current and the difference between the input and the output DC voltage.
Specification
Output (approximate values):
Vmin = (R4 + R5) / (R5*1.3)
Vmax = (7.15 / R5) * (R4 + R5)
Imax = 0.65/R3
Max. Power on R3: 0.42/R3
Min. Input DC Voltage (pin 12 to pin 7): Vmax + 5
Parts List
B1 40V/2.5A
C1 2200uF (3300uF even better)
C2 4.7uF
C3 100nF
C4 1nF
C5 330nF
C6 100uF
D1 Green LED
D2 1N4003
F1 0.2A F
F2 2A M
IC1 LM723 (in a DIL14 plastic package)
R1 1k
R2 Pot. 5k
R3 0.56R/2W
R4 3.3k
R5 4.7k
S1 250V/1A
T1 2N3055 on a heatsink 5K/W
TR1 220V/17V/1.5A
